Wiring Diagram

Kawasaki 250 Atv Wiring Diagram


Kawasaki has been super-quiet this show season, with a new Z900, Versys 1100, Ninja 1100 and that’s about it. But get this: The Kawasaki W230 recalls hot Japanese four-strokes of old, while recycling small-bore moto components made for


Kawasaki is doubling down on its street-legal KLX230 lineup, literally—from a basic KLX230 S dual sport and KLX230 SM Kawasaki Motors Corp., USA, is recalling certain 2024 Z500 and Ninja 500 motorcycles due to a potentially faulty welded


Related Posts of Kawasaki 250 Atv Wiring Diagram :


Motorcycles Kawasaki

Product Detail Kawasaki

Product Detail Kawasaki

2023 Kawasaki ZX 4RR KRT Edition Cycle World

Kawasaki Z900 Alle technischen Daten zum Modell Z900 von Kawasaki

Motorrad Vergleich Kawasaki Ninja H2 SX SE 2025 vs Kawasaki Ninja H2


34+ Images of Kawasaki 250 Atv Wiring Diagram

Motorrad Vergleich Kawasaki Ninja ZX 6R 40th Anniversary Edition 2024

Kawasaki has been super-quiet this show season, with a new Z900, Versys 1100, Ninja 1100 and that’s about it. But get this:


The Kawasaki W230 recalls hot Japanese four-strokes of old, while recycling small-bore moto components made for


Kawasaki is doubling down on its street-legal KLX230 lineup, literally—from a basic KLX230 S dual sport and KLX230 SM


Kawasaki Motors Corp., USA, is recalling certain 2024 Z500 and Ninja 500 motorcycles due to a potentially faulty welded


Kawasaki sent photos of the plain jane Versys 1100, odd when it's the S they sell in Oz and the SE LT available in the US. Nice



Gallery of Kawasaki 250 Atv Wiring Diagram :

Kawasaki Ninja ZX 4RR Wallpaper 4K 2023 Sports bikes Bikes 10204

Kawasaki Ninja 7 Hybrid Tourenfahrer

Ninja ZX 6R MY 2024 Kawasaki United Kingdom

Download Blue Kawasaki 1920x1080 Motorcycle Wallpaper Wallpapers com

Motorrad Vergleich Kawasaki Ninja 500 SE 2026 vs Kawasaki Ninja 500 SE

20 Pictures Of Kawasaki Motorcycles Background

Ninja 1000SX MY 2024 Kawasaki Norge

Kawasaki Is Electrifying Its Motorcycles And One Of Them Is A Wild

Ninja ZX 4RR Performance MY 2024 Kawasaki United Kingdom

2024 Kawasaki Ninja ZX 6R 40th Anniversary Edition ABS Guide Total

Ninja 400 Performance MY 2023 Kawasaki Schweiz

Ninja 125 MY 2023 Kawasaki United Kingdom

Kawasaki Ninja 300 Images Infoupdate org

Ninja ZX 4RR MY 2024 Kawasaki United Kingdom

Anniversary Edition Kawasaki ZX 10R Forum

Ninja 1100SX SE 2025 Kawasaki Nederland

Versys 650 MY 2023 Kawasaki United Kingdom

Kawasaki Motorcycle Free Stock Photo Public Domain Pictures

Z650 MY 2025 Kawasaki Portugal

First look at electric Kawasaki Ninja and Kawasaki Z e motorcycles

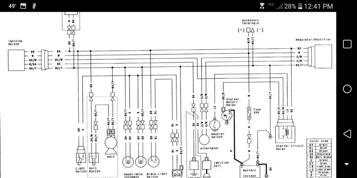
Demystifying the Kawasaki ATV Wiring Diagram A Step by Step Guide

Understanding the Kawasaki ATV Wiring Diagram A Comprehensive Guide

Understanding the Kawasaki ATV Wiring Diagram A Comprehensive Guide

Kawasaki Atv Wiring Diagrams 187 Diagram Board

Unleash the Power Uncovering Kawasaki s Free Wiring Diagrams

Kawasaki Atv Wiring Diagrams 187 Diagram Board

Kawasaki Atv Wiring Diagrams 187 Diagram Board

Kawasaki Wiring Diagram Free

Kawasaki Ninja 250 Wiring Diagram

Unraveling the Wiring Harness of the Kawasaki Bayou 250

Wiring Diagram Learn How to Design schematics and diagram

Unraveling the Wiring Harness of the Kawasaki Bayou 250

Kawasaki Mule Wiring Diagram 187 Diagram Board

Get Free and Comprehensive Kawasaki Wiring Diagrams for Your Motorcycle

Kawasaki Atv Wiring Diagrams 187 Diagram Board

Wiring Diagram for 2009 Kawasaki Ninja 250R

Kawasaki z250 Electrical Schematic

Kawasaki Atv Wiring Schematics

Skema Kelistrikan Wiring Diagram Kawasaki KX250

Wiring Diagram for 2009 Kawasaki Ninja 250R

Wiring Diagram Kawasaki Ignition Switch Bypass Kawasaki Wiring Ignition

1995 Kawasaki 250 Power Valve Diagram

Kawasaki Z250A and B Wiring Diagram Kawasaki Free Download Borrow

Wiring Diagram for 2009 Kawasaki Ninja 250R

Get Free and Comprehensive Kawasaki Wiring Diagrams for Your Motorcycle

Wiring Diagram for 2009 Kawasaki Ninja 250R

Wiring Diagram for 2009 Kawasaki Ninja 250R

Kawasaki 250 Ltd Wiring Diagram

Motorcycles Kawasaki

Product Detail Kawasaki

Product Detail Kawasaki

2023 Kawasaki ZX 4RR KRT Edition Cycle World

Kawasaki Z900 Alle technischen Daten zum Modell Z900 von Kawasaki

Motorrad Vergleich Kawasaki Ninja H2 SX SE 2025 vs Kawasaki Ninja H2

Motorrad Vergleich Kawasaki Ninja ZX 6R 40th Anniversary Edition 2024

Ninja ZX 6R MY 2024 Kawasaki United Kingdom

Kawasaki Ninja ZX 4RR Wallpaper 4K 2023 Sports bikes Bikes 10204

Kawasaki Ninja 7 Hybrid Tourenfahrer

Ninja ZX 6R MY 2024 Kawasaki United Kingdom

Download Blue Kawasaki 1920x1080 Motorcycle Wallpaper Wallpapers com

Motorrad Vergleich Kawasaki Ninja 500 SE 2026 vs Kawasaki Ninja 500 SE

20 Pictures Of Kawasaki Motorcycles Background

Ninja 1000SX MY 2024 Kawasaki Norge

Kawasaki Is Electrifying Its Motorcycles And One Of Them Is A Wild

Ninja ZX 4RR Performance MY 2024 Kawasaki United Kingdom

2024 Kawasaki Ninja ZX 6R 40th Anniversary Edition ABS Guide Total

Ninja 400 Performance MY 2023 Kawasaki Schweiz

Ninja 125 MY 2023 Kawasaki United Kingdom

Kawasaki Ninja 300 Images Infoupdate org

Ninja ZX 4RR MY 2024 Kawasaki United Kingdom

Anniversary Edition Kawasaki ZX 10R Forum

Ninja 1100SX SE 2025 Kawasaki Nederland

Versys 650 MY 2023 Kawasaki United Kingdom

Kawasaki Motorcycle Free Stock Photo Public Domain Pictures

Z650 MY 2025 Kawasaki Portugal

First look at electric Kawasaki Ninja and Kawasaki Z e motorcycles

Kawasaki 250 Atv Wiring Diagram - The pictures related to be able to Kawasaki 250 Atv Wiring Diagram in the following paragraphs, hopefully they will can be useful and will increase your knowledge. Appreciate you for making the effort to be able to visit our website and even read our articles. Cya ~.

RSS Feed | Sitemaps
Copyright © 2025. By https://morningwiring.biz.id

close