Wiring Diagram

Wiring Diagram 48 Volt 8 Battery System


Conquer your fear of working with electrical wiring BY understanding the basics of electrical work and installing 3-switch wiring. Play it Learn the basics of electrical wiring for the home, including wire and cable types, wire color codes and labeling, and essential wiring


Electrical wiring is an electrical installation of cabling and associated devices such as switches, distribution boards, sockets, and Want to learn the basics of home electrical wiring? This guide covers everything in this regard, including wire sizing, safety, color


Related Posts of Wiring Diagram 48 Volt 8 Battery System :


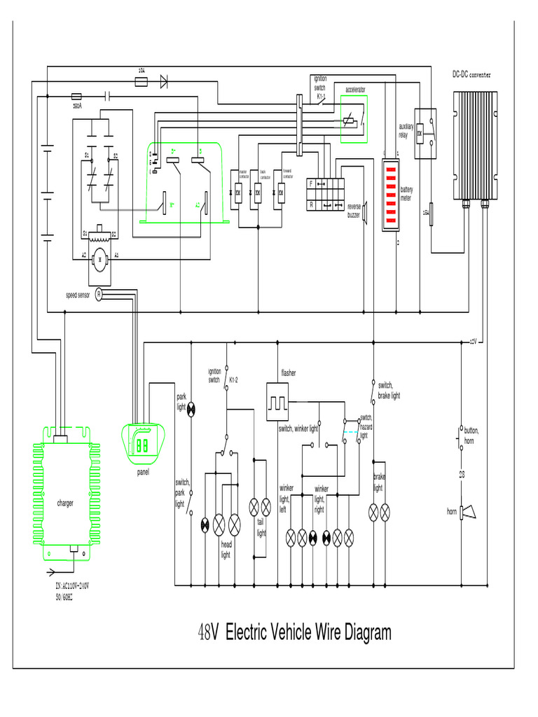
48v Wiring Diagram PDF Motor Vehicle Electrical Components

48 Volt Battery Wiring Diagram

48 Volt Battery Wiring Diagram

48 Volt Battery Wiring Diagram

Ezgo 48 Volt Battery Wiring Diagram Wiring Diagram

48 Volt Battery Bank Wiring Diagram Wiring Diagram


15+ Images of Wiring Diagram 48 Volt 8 Battery System

48 volt battery wiring diagram

Conquer your fear of working with electrical wiring BY understanding the basics of electrical work and installing 3-switch wiring. Play it


Learn the basics of electrical wiring for the home, including wire and cable types, wire color codes and labeling, and essential wiring


Electrical wiring is an electrical installation of cabling and associated devices such as switches, distribution boards, sockets, and


Want to learn the basics of home electrical wiring? This guide covers everything in this regard, including wire sizing, safety, color


Our guide will walk you through the essentials of home electrical wiring, from planning and installation to safety



Gallery of Wiring Diagram 48 Volt 8 Battery System :

48 Volt Battery Bank Wiring Diagram

48v Club Car Battery Wiring Diagram for 48 Volt System

48V Golf Cart Battery Wiring Diagram Guide

Yamaha 48 volt battery charger wiring diagram wikiTros

A Comprehensive Guide Ez Go 48 Volt Battery Wiring Diagram

A Comprehensive Guide Ez Go 48 Volt Battery Wiring Diagram

A Comprehensive Guide Ez Go 48 Volt Battery Wiring Diagram

Yamaha 48 volt battery charger wiring diagram afsaki

Yamaha 48 volt battery charger wiring diagram sekatx

48v battery bank wiring diagram Wiring Diagram

Understanding the Wiring Diagram for 48 Volt EZ Go Battery

Understanding the Wiring Diagram for 48 Volt EZ Go Battery

Understanding the Wiring Diagram for 48 Volt EZ Go Battery

Ezgo 48v Battery Wiring Diagram Wiring Draw And Schematic

48 Volt Charging Plug Wiring Diagram Wiring Draw

Yamaha 48 volt battery charger wiring diagram mediagrouprety

How to Wire a 48 Volt Battery for a Club Car Complete Diagram Guide

Wiring Guide for a 48V Battery System

Wiring Guide for a 48V Battery System

Wiring Guide for a 48V Battery System

Wiring Guide for a 48V Battery System

Wiring Guide for a 48V Battery System

Battery Wiring Diagram for 48 Volt Golf Cart Complete Guide

48V Battery Meter Wiring Diagram Database

The Ultimate Guide to Understanding Ezgo Wiring Diagrams for 48 Volt

Wiring diagram for a 48v battery bank

48 Volt battery bank wiring northernarizona windandsun

48v Battery Configuration Wiring Draw And Schematic

48v battery configuration Wiring Digital and Schematic

48v battery configuration Wiring Digital and Schematic

12v 48 Volt Battery Wiring Diagram

48 Volt Battery Bank Wiring Diagram 48 Volt Battery Bank Wir

Yamaha 48 Volt Battery Wiring Diagram Battery Wiring Diagram

Step by Step Guide to Wiring a 48V Golf Cart Battery Diagram Included

48 Volt Battery Charger Circuit Diagram Pdf

48v 48 Volt Battery Bank Wiring Diagram Battery Solar Volt B

12v 48 Volt Battery Wiring Diagram

48 Volt Battery Diagram Club Car 48 Volt Battery Diagram

48 Volt Controller Wiring Diagram 48v Ebike Battery Wiring D

48v Battery Bank Wiring Diagram Schematic Volt Batteries 48

48 V Battery Wiring Diagram With 16 3 2v Batteries Ezgo 48 V

48V Battery system with Individual Monitors and charge ports for

Yamaha 48 Volt Charger Wiring Diagram diagram 12v 48 Volt

How To Wire A 48 Volt Battery 2007 Club Cart With 4 12 Batteries

48v Battery Configuration Wiring Flow Schema

48 Volt 8 Amp Hour Ebike Controller Diagram 24 Inch Front Wh

48 Volt 8 Amp Hour Ebike Controller Diagram 24 Inch Front Wh

Best way to hook up eight 12 volt batteries for 48 volt system

48V Battery system with Individual Monitors and charge ports for

Yamaha 48 Volt Charger Wiring Diagram diagram 12v 48 Volt

How To Wire A 48 Volt Battery 2007 Club Cart With 4 12 Batteries

48v Battery Configuration Wiring Flow Schema

48 Volt 8 Amp Hour Ebike Controller Diagram 24 Inch Front Wh

48 Volt 8 Amp Hour Ebike Controller Diagram 24 Inch Front Wh

Best way to hook up eight 12 volt batteries for 48 volt system

Wiring Battery In Series Battery Wiring Volt Diagram 48 48v

48v 13s Battery Diagram 48v Lifepo4 Battery Voltage Chart s

48 volt battery

Understanding 48V Battery Voltage Charts Applications

Battery Wiring Diagrams 12v Batteries 24v Output 8 Batteries

How to Connect 8 12V Batteries to Make 48V Diagrams

How to Connect 8 12V Batteries to Make 48V Diagrams

How to Connect 8 12V Batteries to Make 48V Diagrams

Wire Size Calculator Dc 48v Wiring Diagram

How to Connect 8 12V Batteries to Make 48V ViBMS Battery

How to Connect 8 12V Batteries to Make 48V

How to Connect 8 12V Batteries to Make 48V A Step by Step Guide Vatrer

How to Connect 16 12v Batteries to Make 48V Battery

How to Connect 16 12v Batteries to Make 48V Battery

How To Connect 12V Batteries To Make 48V Diagrams 54 OFF

News How to Wire 4 12V Lithium Batteries to Make 48V

News How to Wire 4 12V Lithium Batteries to Make 48V

How To Connect Multiple 48V Batteries In Series Or Parallel For

Battery Diagram for 36 to 48 Volt Conversion

Battery Diagram for 36 to 48 Volt Conversion

DIY 48V Battery Pack for Electronic Vehicles Analog Devices Wiki

Wiring Diagram 48 Volt 8 Battery System - The pictures related to be able to Wiring Diagram 48 Volt 8 Battery System in the following paragraphs, hopefully they will can be useful and will increase your knowledge. Appreciate you for making the effort to be able to visit our website and even read our articles. Cya ~.

RSS Feed | Sitemaps
Copyright © 2025. By https://morningwiring.biz.id

close