Wiring Diagram

Wiring Diagram For 1993 Yamaha G9 Electric Golf Cart


Learn the basics of electrical wiring for the home, including wire and cable types, wire color codes and labeling, and essential wiring Electrical wiring is an electrical installation of cabling and associated devices such as switches, distribution boards, sockets, and


Conquer your fear of working with electrical wiring BY understanding the basics of electrical work and installing 3-switch wiring. Play it Want to learn the basics of home electrical wiring? This guide covers everything in this regard, including wire sizing, safety, color


Related Posts of Wiring Diagram For 1993 Yamaha G9 Electric Golf Cart :


Yamaha G9 Electric Golf Cart Wiring Diagram 187 Diagram Board

Yamaha G9 Electric Golf Cart Wiring Diagram 187 Diagram Board

Yamaha Electric Golf Cart Solenoid Wiring Diagram

Yamaha G9 Electric Golf Cart Wiring Diagram

Yamaha G9 Electric Golf Cart Wiring Diagram

Yamaha G9 Electric Golf Cart Wiring Diagram


31+ Images of Wiring Diagram For 1993 Yamaha G9 Electric Golf Cart

Yamaha G9 Electric Golf Cart Wiring Diagram

Learn the basics of electrical wiring for the home, including wire and cable types, wire color codes and labeling, and essential wiring


Electrical wiring is an electrical installation of cabling and associated devices such as switches, distribution boards, sockets, and


Conquer your fear of working with electrical wiring BY understanding the basics of electrical work and installing 3-switch wiring. Play it


Want to learn the basics of home electrical wiring? This guide covers everything in this regard, including wire sizing, safety, color


Our guide will walk you through the essentials of home electrical wiring, from planning and installation to safety



Gallery of Wiring Diagram For 1993 Yamaha G9 Electric Golf Cart :

Yamaha G9 Electric Golf Cart Wiring Diagram

Yamaha G9 Electric Golf Cart Wiring Diagram

Yamaha G9 Electric Golf Cart Wiring Diagram

Yamaha G9 Electric Golf Cart Wiring Diagram 187 Schema Digital

Yamaha G29 Wiring Diagram 187 Diagram Board

yamaha g9 wiring diagram Wiring Digital and Schematic

Unraveling the Yamaha G2 Electric Golf Cart Wiring Diagram A

Yamaha G9 Gas Golf Cart Wiring Diagram

Yamaha G9 Gas Golf Cart Wiring Diagram

Yamaha G9 Gas Golf Cart Wiring Diagram Pdf

Yamaha G9 Gas Golf Cart Wiring Diagram Pdf

Yamaha G9 Gas Golf Cart Wiring Diagram Pdf

Yamaha G9 Gas Golf Cart Wiring Diagram Pdf

Yamaha G9 Gas Golf Cart Wiring Diagram Wiring Diagram

Yamaha G29 Gas Golf Cart Wiring Diagram Wiring Diagram

Cracking the Code Exploring the Yamaha G19e Wiring Diagram

Yamaha G9 Gas Golf Cart Wiring Diagram Wiring Diagram

The Complete Guide to Understanding Yamaha G9 Wiring Diagrams

The Complete Guide to Understanding Yamaha G9 Wiring Diagrams

The Complete Guide to Understanding Yamaha G9 Wiring Diagrams

Yamaha G29 Gas Golf Cart Wiring Diagram Wiring Diagram

Cracking the Code Exploring the Yamaha G19e Wiring Diagram

Yamaha G9 Gas Golf Cart Wiring Diagram Wiring Diagram

The Complete Guide to Understanding Yamaha G9 Wiring Diagrams

The Complete Guide to Understanding Yamaha G9 Wiring Diagrams

The Complete Guide to Understanding Yamaha G9 Wiring Diagrams

The Complete Guide to Understanding Yamaha G9 Wiring Diagrams

The Complete Guide to Understanding Yamaha G9 Wiring Diagrams

Yamaha Golf Cart Wiring Diagram 48v 36v Gas Electric

Yamaha Golf Cart Wiring Diagram 48v 36v Gas Electric

Yamaha Golf Cart Wiring Diagram 48v 36v Gas Electric

Yamaha G9 Parts Diagram

Yamaha G9 Parts Diagram

Yamaha G9 Parts Diagram

Yamaha G9 Parts Diagram

Yamaha G9 Gas Golf Cart Wiring Diagram Collection

Yamaha G9 Gas Golf Cart Wiring Diagram Collection

The Ultimate Guide to Understanding and Installing the Yamaha G9 Wiring

Yamaha G9 Gas Golf Cart Wireing Troubleshooting 187 Wiring Diagram

Yamaha G9 Golf Cart Wiring WIRING DIAGRAM FOR YAMAHA G9 GOLF CART

Yamaha G9 AJ 1993 parts lists and schematics

Yamaha G9 AJ 1993 parts lists and schematics

Yamaha G9 EJ 1993 parts lists and schematics

Yamaha G9 EJ 1993 parts lists and schematics

Yamaha G9 AJ 1993 ELECTRICAL 1 buy original ELECTRICAL 1 spares online

Yamaha G9 Golf Cart Engine Parts at Cecila Whitworth blog

The Ultimate Guide to Understanding and Installing the Yamaha G9 Wiring

Yamaha G9 Gas Golf Cart Wireing Troubleshooting 187 Diagram Board

Yamaha G9 Gas Golf Cart Wireing Troubleshooting 187 Wiring Diagram

Yamaha Golf Cart Wiring Harnes Wiring Diagram

Yamaha G9 Golf Cart Wiring WIRING DIAGRAM FOR YAMAHA G9 GOLF CART

Yamaha G9 AJ 1993 parts lists and schematics

Yamaha G9 AJ 1993 parts lists and schematics

Yamaha G9 EJ 1993 parts lists and schematics

Yamaha G9 EJ 1993 parts lists and schematics

Yamaha G9 AJ 1993 ELECTRICAL 1 buy original ELECTRICAL 1 spares online

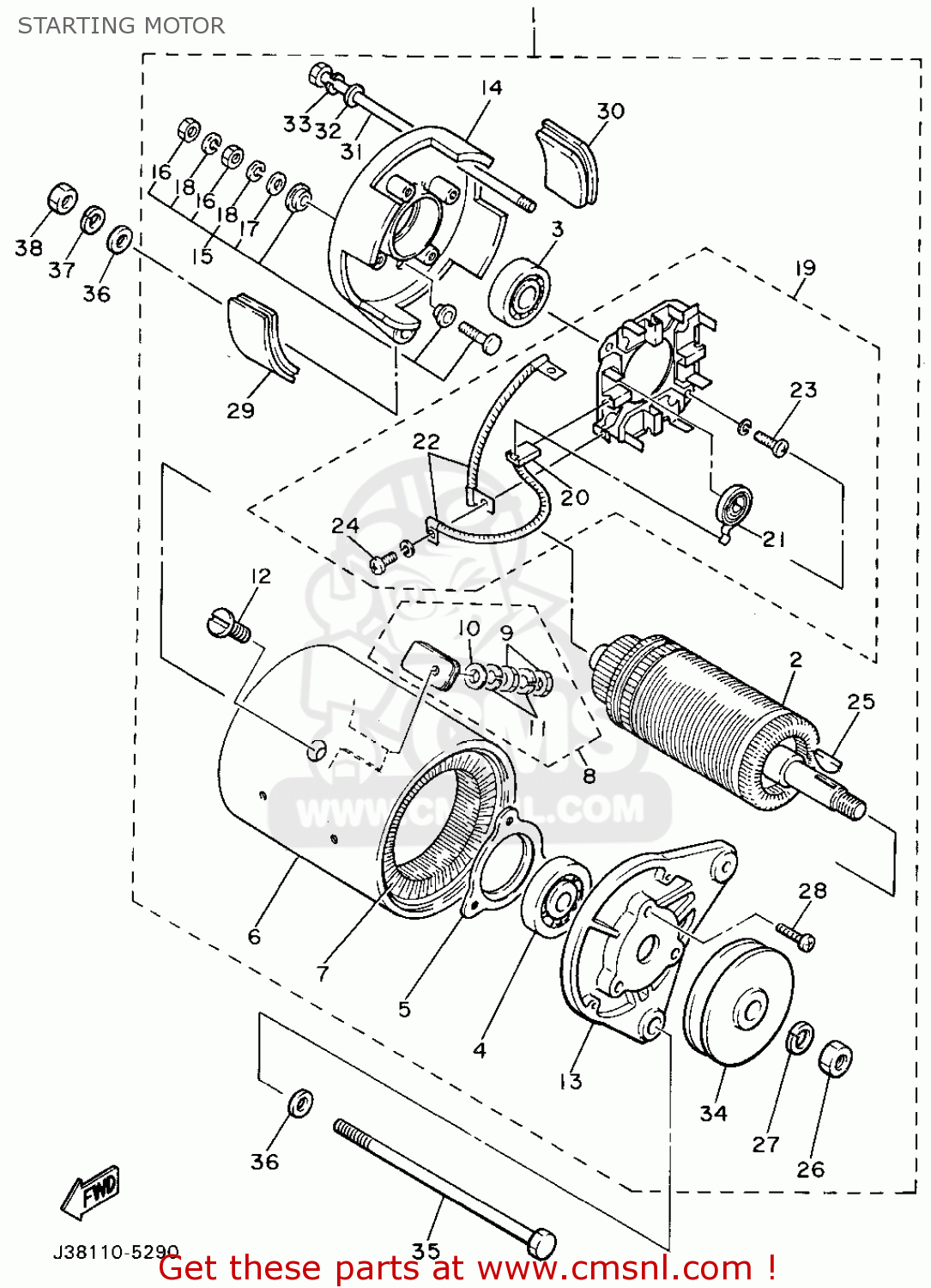
Yamaha G9 AJ 1993 STARTING MOTOR buy original STARTING MOTOR spares

Yamaha G9 Golf Cart Engine Parts at Cecila Whitworth blog

Wiring Diagram For 1993 Yamaha G9 Electric Golf Cart - The pictures related to be able to Wiring Diagram For 1993 Yamaha G9 Electric Golf Cart in the following paragraphs, hopefully they will can be useful and will increase your knowledge. Appreciate you for making the effort to be able to visit our website and even read our articles. Cya ~.

RSS Feed | Sitemaps
Copyright © 2025. By https://morningwiring.biz.id

close